

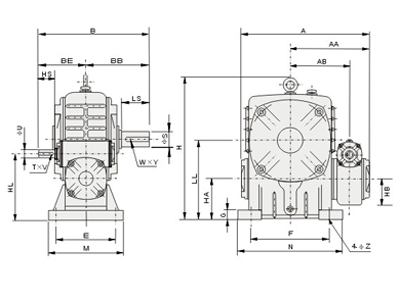
型號size |
傳動比ratio |
A |
AA |
AB |
BB |
BE |
HL |
LL |
H |
HA |
HB |
M |
N |
E |
F |
G |
Z |
入力軸 |
出力軸 |
重量(kg) |
||||
HS |
U |
T×V |
LS |
S |
W×Y |
|||||||||||||||||||
40-70 |
1/100 1/200 1/300 1/400 1/500 1/600 1/800 1/900 |
262 |
171 |
126 |
130 |
89 |
110 |
140 |
236 |
70 |
50 |
150 |
190 |
115 |
150 |
20 |
15 |
25 |
12 |
4×2.5 |
60 |
28 |
7×4 |
20 |
50-80 |
297 |
197 |
144 |
140 |
105 |
130 |
160 |
268 |
80 |
65 |
170 |
220 |
135 |
180 |
20 |
15 |
30 |
12 |
4×2.5 |
65 |
32 |
10×4.5 |
27 |
|
60-100 |
363 |
231 |
175 |
179 |
120 |
160 |
200 |
336 |
100 |
75 |
190 |
270 |
155 |
220 |
25 |
15 |
40 |
15 |
5×3 |
75 |
38 |
10×4.5 |
44 |
|
70-120 |
408 |
256 |
193 |
185 |
140 |
190 |
240 |
430 |
120 |
90 |
230 |
320 |
180 |
260 |
30 |
18 |
40 |
18 |
5×3 |
85 |
45 |
12×4.5 |
73 |
|
80-135 |
471 |
298 |
226 |
210 |
160 |
215 |
270 |
480 |
135 |
105 |
250 |
350 |
200 |
290 |
30 |
18 |
50 |
22 |
7×4 |
95 |
55 |
16×6 |
101 |
|
100-155 |
555 |
354 |
269 |
250 |
180 |
235 |
290 |
531 |
135 |
130 |
275 |
390 |
220 |
320 |
35 |
21 |
50 |
25 |
7×4 |
110 |
60 |
16×6 |
144 |
|
120-175 |
598 |
379 |
287 |
260 |
229 |
280 |
335 |
600 |
160 |
155 |
310 |
430 |
250 |
350 |
40 |
21 |
65 |
30 |
7×4 |
110 |
65 |
18×7 |
201 |
|
135-200 |
662 |
425 |
318 |
302 |
260 |
310 |
375 |
666 |
175 |
185 |
360 |
480 |
290 |
390 |
40 |
24 |
75 |
35 |
10×4.5 |
125 |
70 |
20×7.5 |
293 |
|
155-250 |
795 |
510 |
380 |
360 |
302 |
355 |
450 |
800 |
200 |
203 |
460 |
560 |
380 |
480 |
45 |
28 |
85 |
40 |
10×4.5 |
155 |
90 |
25×9 |
462 |
|
上一篇:已經(jīng)沒有了
下一篇:WPES