
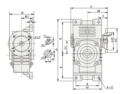
型號size |
入功率(kw) |
傳動比ratio |
A |
AB |
B |
BC |
CC |
M |
N |
E |
E1 |
E2 |
G |
Z |
電機法蘭flange |
入力孔input hole |
輸出軸output shaft |
重量(kg) |
|||||||
LA |
LB |
LC |
LE |
LZ |
Q |
U |
T×V |
S |
W×Y |
||||||||||||||||
40 |
0.12 |
1/10 1/15 1/20 1/25 1/30 1/40 1/50 1/60 |
135 |
75 |
90 |
45 |
40 |
95 |
187 |
70 |
72 |
97 |
12 |
10 |
115 |
95 |
140 |
4 |
M8 |
31 |
11 |
4×12.8 |
16 |
5×18.3 |
5.4 |
50 |
0.18 |
151 |
83 |
100 |
50 |
50 |
111 |
226 |
90 |
90 |
110 |
14 |
12 |
115 |
95 |
140 |
4 |
M8 |
31 |
11 |
4×12.8 |
20 |
6×22.8 |
8.5 |
|
60 |
0.37 |
167 |
91 |
110 |
55 |
60 |
127 |
257 |
100 |
102 |
129 |
15 |
12 |
130 |
110 |
160 |
4 |
M8 |
33 |
14 |
5×16.3 |
25 |
8×28.3 |
12 |
|
70 |
0.37 |
200 |
109 |
126 |
65 |
70 |
152 |
305 |
120 |
120 |
155 |
20 |
15 |
130 |
110 |
160 |
4 |
M8 |
40 |
14 |
5×16.3 |
30 |
8×33.3 |
17 |
|
0.75 |
202 |
111 |
165 |
130 |
200 |
M10 |
42 |
19 |
6×21.8 |
||||||||||||||||
80 |
0.75 |
225 |
125 |
140 |
70 |
80 |
174 |
350 |
140 |
140 |
180 |
20 |
15 |
165 |
130 |
200 |
4.5 |
M10 |
48 |
19 |
6×21.8 |
35 |
10×38.3 |
26 |
|
1.5 |
52 |
24 |
8×27.3 |
||||||||||||||||||||||
100 |
1.5 |
280 |
148 |
160 |
90 |
100 |
224 |
410 |
190 |
165 |
215 |
22 |
15 |
165 |
130 |
200 |
4.5 |
M10 |
52 |
24 |
8×27.3 |
40 |
12×43.3 |
40.5 |
|
120 |
2.2 |
333 |
181 |
180 |
100 |
120 |
264 |
494 |
220 |
195 |
255 |
25 |
18 |
215 |
180 |
250 |
5 |
M12 |
63 |
28 |
8×31.3 |
45 |
14×48.8 |
59 |
|
3.0 |
|||||||||||||||||||||||||
135 |
3.0 |
375 |
202 |
204 |
110 |
135 |
304 |
559 |
260 |
230 |
285 |
30 |
18 |
215 |
180 |
250 |
5 |
M12 |
63 |
28 |
8×31.3 |
60 |
18×64.4 |
89 |
|
4.0 |
|||||||||||||||||||||||||
155 |
5.5 |
448 |
247 |
250 |
140 |
155 |
345 |
605 |
290 |
250 |
305 |
35 |
21 |
265 |
230 |
300 |
5 |
M12 |
83 |
38 |
10×41.3 |
70 |
20×74.9 |
138 |
|
175 |
5.5 |
481 |
262 |
280 |
150 |
175 |
374 |
675 |
320 |
273 |
348 |
40 |
21 |
265 |
230 |
300 |
5 |
M12 |
83 |
38 |
10×41.3 |
80 |
22×85.4 |
172 |
|
7.5 |
|||||||||||||||||||||||||
200 |
11.0 |
543 |
285 |
324 |
175 |
200 |
424 |
749 |
370 |
305 |
390 |
40 |
24 |
300 |
250 |
350 |
6 |
M16 |
114 |
42 |
12×45.3 |
85 |
22×90.4 |
246 |
|
250 |
11.0 |
615 |
330 |
400 |
200 |
250 |
510 |
920 |
440 |
375 |
475 |
45 |
28 |
300 |
250 |
350 |
6 |
M16 |
114 |
42 |
12×45.3 |
110 |
28×116.4 |
400 |
|
15.0 |
|||||||||||||||||||||||||